Termékek
Napelemek minden fekete

Napelemek minden fekete

Az SFM 170- Watt mono-kristályos PV napelemes panel nagy hatékonyságú napelemeket használ, minőségi szilícium anyagból, a nagy modulok átalakításának hatékonyságához, a hosszú távú kimeneti stabilitáshoz és a megbízhatósághoz. Gyakorlatilag karbantartásmentes. Nagy transzmittancia, alacsony vas edzett üveg a tartóssághoz és a fokozott ütközés ellenálláshoz.

Termékleírás

 

Az SFM 170- Watt mono-kristályos PV napelemes panel nagy hatékonyságú napelemeket használ, minőségi szilícium anyagból, a nagy modulok átalakításának hatékonyságához, a hosszú távú kimeneti stabilitáshoz és a megbízhatósághoz. Gyakorlatilag karbantartásmentes. Nagy transzmittancia, alacsony vas edzett üveg a tartóssághoz és a fokozott ütközés ellenálláshoz.

Importált és háztartási anyagokból készülnek

Fekete keret fekete hátlapokkal

Pozitív energiatolerancia (0 to +3%)

Egyedi kerettervezés, erős mechanikai szilárdsággal akár 50 fontnál is. Szélterhelés és hóterhelés ellenállva és egyszerű telepítés

Kiváló elektromos teljesítmény magas hőmérsékleten és gyenge fénykörnyezetben

A bypass diódák enyhítik az árnyékolási hatásokat a sorozat karakterláncaiban

 

Paraméter

 

Elektromos jellemzők (STC*)
Modellszám (SFM)

150W

155W

160W

165W

170W

175W

180W

Maximális teljesítmény az STC -nél (PMAX)

150W

155W

160W

165W

170W

175W

180W

Maximális teljesítményfeszültség (VMP)

18.02

18.10

18.20

18.41

18.56

18.78

19.01

Maximális teljesítményáram (IMP)

8.33

8.56

8.80

8.96

9.15

9.35

9.47

Nyitott áramkör feszültsége (VOC)

21.62

21.72

21.84

22.09

22.27

22.54

22.62

Rövidzárlati áram (ISC)

9.07

9.33

9.58

9.77

9.94

10.16

10.32

Maximális rendszerfeszültség (v)

1000 V DC (IEC)

Maximális sorozatú biztosíték -besorolás (A)

15A

Teljesítménytűrés (%)

0-+3%

NOCT

45 ± 2 fok

PMAX hőmérsékleti együttható

-0. 46%\/ fok

VOC hőmérsékleti együttható

-0. 346%\/ fok

ISC hőmérsékleti együttható

0. 065%\/ fok

Üzemi hőmérséklet

A -40 -tól a +85 fokig
*STC (standard tesztfeltétel): Besugárzás 1000W\/㎡, modul hőmérséklete 25 fok, AM1.5
A legjobb az AAA osztályú napelemes szimulátorban (IEC 60904-9), a teljesítménymérés bizonytalanságával ± 3% -on belül

 

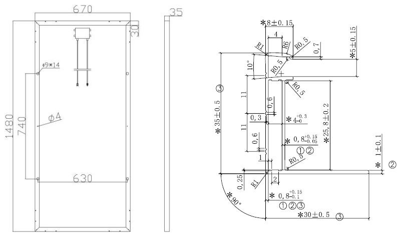
Mérnöki rajzok (MM)

 

1

 

Mechanikai jellemzők

Napelem

36 (4 × 9) mono-kristályos szilícium-napelemek 156 × 156 mm

Elülső üveg

3,2 mm (0. 13in) nagy átvitelű edzett üveg

Beágyaz

Eva (etilén-vinil-acetát)

Keret

Kettős rétegű eloxált alumíniumötvözet

Csatlakozó doboz

IP67 besorolva, szervizelhető bypass diódákkal

Kábelek

UV -ellenálló napelemes kábel (opcionális)

Csatlakozók

MC4 kompatibilis csatlakozók (opcionális)

Méretek (l × w × h)

1480 × 670 × 35 mm

Súly

12 kg

Max.Load

Szélterhelés: 2400PA\/Hóterhelés: 5400PA

 

Csomagolási konfiguráció

Csomagolási mennyiség

2db\/karton

Mennyiség\/raklap

50db\/raklap

Rakodó képesség

569pcs\/20ft, 1180pcs\/40ft

 

Jellemző

 

A reflexiógátló üveg elősegíti az energiaelnyelés növelését, míg a felső és az alsó ezüst csatlakozásokat fekete fülek váltották fel, nem pedig egy extra szalag vagy fekete tedlar helyett, minimalizálva a hatékonysági veszteséget a fehér hátlap egyenértékével, és csökkentve a sejtmikro-repedések kockázatát az alacsonyabb laminátum vastagság miatt.

A napelemek még magas hőmérsékleten is magasabb hatékonyságot tudnak fenntartani, mint a hagyományos kristályos szilícium napelem. Ez különösen releváns a "teljesen fekete" moduloknál, ahol a hőelnyelés nagyobb. A Sufu nyáron a legtöbb villamos energiát generálva az osztályban a legjobb teljesítményt nyújtja. Ez különösen releváns a forró éghajlaton. Számos különféle alkalmazáshoz, akár munkakeretekhez, garázsokhoz vagy táborokhoz is felhasználható, ideális lakó- és kereskedelmi tetőtéri rendszerekhez

Földtartalmú kompatibilis

Kompatibilis az On-GRID és az Off Grid Inverterekkel

Fekete napelemek lakossági és kereskedelmi alkalmazásokhoz, ahol a vizuálisan kellemes napelem és a maximális hatékonyság kiemelkedően fontos.

 

Rólunk

 

A Qinhuangdao Sufu Electronic Co., Ltd egy modern napenergia -modul, Naprendszer -megoldások és szolgáltató. A napenergia-termékeink a napenergia-moduloktól a napenergia-rendszerekig, a napenergia-utcai lámpákig, a napenergia-multifunkcionális töltőkig, a napenergia-szivattyúkig és a fot-voltaikus erőművekig, az épülethez csatolt foto-voltaikus (BAPV), az integrált foto-voltaikus (BIPV) kialakítás és építés építése.

A 30, 000 ㎡ műhelyek felett az első fázisú beruházás 20 millió RMB, éves termelési kapacitásunk 20MW mind a mono, mind a poli napelemeknél.

A Sufu megbízható és megújuló termékeket kínál, amelyek nemzetközileg tanúsítottak TUV, CE, IEC és ISO9001 stb.

A termék az ügyfelek széles skálájára vonatkozik, beleértve Ausztráliát, Indiát, Japánt, Koreát, Dél -Amerikát, Közel -Keletet, Délkelet -Ázsiát, Afrikát és más országokat.

 

Bizonyítvány

 

4

 

Miért válasszon minket?

 

1. 10 év alatt van saját gyárunk a napelemek és rendszerek szakembereivel.

2. Van egy erős K + F csapatunk.

3. OEM szolgáltatás nyújtása a megrendeléshez.

4. Válasz 12 órán belül.

5. Versenyképes árat kínál, jó értékesítés utáni szolgáltatás.

 

GYIK

 

K: Miért választja a Sufu -t?

V: Mivel több mint 11 éve vagyunk a napenergia -kiegészítők professzionális gyártója. Kiváló nyers beszállítóink és erős mérnöki csapatunk van.

 

K: Mi a szállítási idő?

V: 15 napon belül, miután a megrendelést a beérkezett előrefizetés megerősítette.

 

K: Mi a jótállási feltételeid?

V: Különböző jótállási időt kínálunk a különböző alkatrészekhez, kérjük, vegye fel velünk a kapcsolatot a részletekért.

 

K: Mi lenne a minőség -ellenőrzési rendszerével?

V: A minőség prioritás. A produkció elejétől a végéig mindig nagy jelentőséget tulajdonítunk a minőség -ellenőrzésnek. A csomagolás és a szállítás előtt minden terméket teljes összeszerelve és óvatosan tesztelnek.

 

Népszerű tags: napelemek minden fekete, beszállítók, gyártók, gyár, testreszabott, nagykereskedelmi, vétel, ár, legjobb, eladó

A szálláslekérdezés elküldése